技术参数:
级数 | 规格型号 | 减速比 | 输出额定力矩 | 背隙 | 长度 | 重量 | 径向力 | 轴向力 |
arcmin | mm | kg | N | N | ||||
一级 | PE42-04 | 4 | 8 | ≤15 | 40 | 0.25 | 260 | 80 |
PE42-05 | 5 | 7 | ||||||
PE42-07 | 7 | 6 | ||||||
PE42-10 | 10 | 4 | ||||||
二级 | PE42-16 | 16 | 11 | ≤20 | 51 | 0.35 | 260 | 80 |
PE42-20 | 20 | 10 | ||||||
PE42-25 | 25 | 8 | ||||||
PE42-28 | 28 | 9 | ||||||
PE42-35 | 35 | 8 | ||||||
PE42-40 | 40 | 8 | ||||||
PE42-50 | 50 | 7 | ||||||
PE42-70 | 70 | 6 |
命名规则:
PE42-10 □□ | |
命名段 | 含义 |
PE | 减速箱输出端形状 PE:圆形 |
42 | 匹配电机外径42mm |
-10 | 减速比10比 |
□□ | 非标参数 |
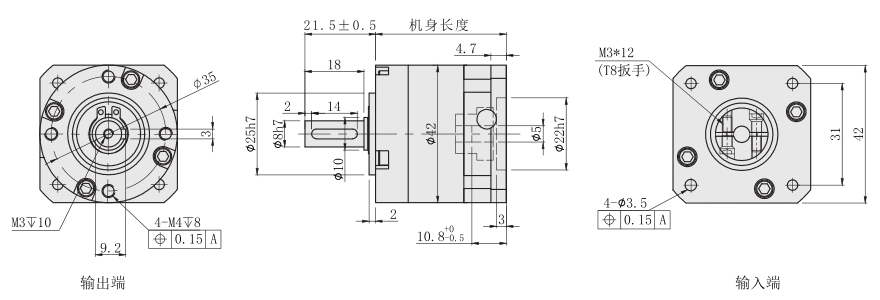
外形尺寸图(单位mm):

★ 减速机选型时,应根据减速机额定输出扭矩和动态力矩曲线图是否符合使用要求来选择,并乘以传动效率。
★ 建议步进电机输入转速≤800rpm/min,无刷电机≤3000rpm/min。最终输出扭矩≤额定扭矩,以避免减少减速机的使用寿命。
技术参数:
级数 | 规格型号 | 减速比 | 输出额定力矩 | 背隙 | 长度 | 重量 | 径向力 | 轴向力 |
arcmin | mm | kg | N | N | ||||
一级 | PE42-04 | 4 | 8 | ≤15 | 40 | 0.25 | 260 | 80 |
PE42-05 | 5 | 7 | ||||||
PE42-07 | 7 | 6 | ||||||
PE42-10 | 10 | 4 | ||||||
二级 | PE42-16 | 16 | 11 | ≤20 | 51 | 0.35 | 260 | 80 |
PE42-20 | 20 | 10 | ||||||
PE42-25 | 25 | 8 | ||||||
PE42-28 | 28 | 9 | ||||||
PE42-35 | 35 | 8 | ||||||
PE42-40 | 40 | 8 | ||||||
PE42-50 | 50 | 7 | ||||||
PE42-70 | 70 | 6 |
命名规则:
PE42-10 □□ | |
命名段 | 含义 |
PE | 减速箱输出端形状 PE:圆形 |
42 | 匹配电机外径42mm |
-10 | 减速比10比 |
□□ | 非标参数 |
外形尺寸图(单位mm):

★ 减速机选型时,应根据减速机额定输出扭矩和动态力矩曲线图是否符合使用要求来选择,并乘以传动效率。
★ 建议步进电机输入转速≤800rpm/min,无刷电机≤3000rpm/min。最终输出扭矩≤额定扭矩,以避免减少减速机的使用寿命。
18825289603