技术参数:
电机型号 (Model) | 保持转矩 (N.M) | 机身长 L1 (mm) | 相电流 (A) | 相电阻 (Ω) | 相电感 (mH) | 转动惯量 (g.c㎡) | 重量 Kg | 驱动器 |
11HS32-10D8-ZK □□ | 0.08 | 32 | 1.0 | 5.7 | 3.5 | 9 | 0.11 | SD-422R |
11HS45-10D8-ZK □□ | 0.12 | 45 | 1.0 | 8.5 | 6.5 | 12 | 0.15 | SD-422R |
★ 推荐驱动器是脉冲型,还可以为客户提供以下驱动:
★ 总线型步进驱动器、IO控制、电位器调速。
命名规则:
11HS32-10D8-ZK □□ | |
命名段 | 含义 |
11 | 电机外径28mm |
HS | 两相步进 |
32 | 机身长度32mm |
10 | 额定电流1.0A |
D | 出轴方式:A圆轴;D单扁;U键槽;V双扁 |
8 | 输出直径8mm |
ZK | 中空轴电机 |
□□ | 非标参数 |
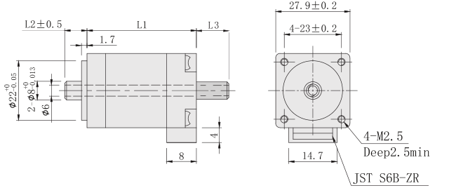
外形尺寸图:

★本系列电机可以根据客户要求定制:机身长度(L1)、出轴长度(L2)、(L3)、出线方式。
力矩曲线图:


注意事项:
●同一电机同一驱动器,在供电电压不同的情况下,输出力矩也会不同,建议客户充分考虑此因素,选型时预留足够的力矩余量。
●驱动器电压越高,高速输出力矩越大,但不能超出驱动器的电压使用范围,建议电压小于或等于24VDC。
型号 | PDF文件 | 3D图 |
08HS28-06D5-ZK | 点击下载 | 点击下载 |
08HS40-08D5-ZK | 点击下载 | 点击下载 |
技术参数:
电机型号 (Model) | 保持转矩 (N.M) | 机身长 L1 (mm) | 相电流 (A) | 相电阻 (Ω) | 相电感 (mH) | 转动惯量 (g.c㎡) | 重量 Kg | 驱动器 |
11HS32-10D8-ZK □□ | 0.08 | 32 | 1.0 | 5.7 | 3.5 | 9 | 0.11 | SD-422R |
11HS45-10D8-ZK □□ | 0.12 | 45 | 1.0 | 8.5 | 6.5 | 12 | 0.15 | SD-422R |
★ 推荐驱动器是脉冲型,还可以为客户提供以下驱动:
★ 总线型步进驱动器、IO控制、电位器调速。
命名规则:
11HS32-10D8-ZK □□ | |
命名段 | 含义 |
11 | 电机外径28mm |
HS | 两相步进 |
32 | 机身长度32mm |
10 | 额定电流1.0A |
D | 出轴方式:A圆轴;D单扁;U键槽;V双扁 |
8 | 输出直径8mm |
ZK | 中空轴电机 |
□□ | 非标参数 |
外形尺寸图:

★本系列电机可以根据客户要求定制:机身长度(L1)、出轴长度(L2)、(L3)、出线方式。
力矩曲线图:


注意事项:
●同一电机同一驱动器,在供电电压不同的情况下,输出力矩也会不同,建议客户充分考虑此因素,选型时预留足够的力矩余量。
●驱动器电压越高,高速输出力矩越大,但不能超出驱动器的电压使用范围,建议电压小于或等于24VDC。
型号 | PDF文件 | 3D图 |
08HS28-06D5-ZK | 点击下载 | 点击下载 |
08HS40-08D5-ZK | 点击下载 | 点击下载 |
18825289603