技术参数:
电机型号 (Model) | 保持转矩 (N.M) | 机身长度 L1(mm) | 相电流 (A) | 相电阻 (Ω) | 相电感 (mH) | 转动惯量 (g.c㎡) | 重量 Kg | 驱动器 |
34HS80-45U14B-32□□ | 4.50 | 80 | 4.5 | 0.41 | 2.90 | 2100 | 2.33 | SA-872E |
34HS118-60U14B-32□□ | 8.50 | 118 | 6.0 | 0.49 | 4.00 | 2700 | 3.78 | SA-872E |
34HS156-60U14B-32□□ | 12.00 | 156 | 6.0 | 0.76 | 8.40 | 4000 | 5.43 | SA-872E |
刹车参数:
刹车型号 | 刹车类型 | 刹车电源电压 | 刹车功率 | 刹车响应时间 |
86刹车 | 电磁刹车 | 24VDC±5% | 7.5W | 50ms |
★ 推荐驱动器是脉冲型,还可以为客户提供以下驱动:
★ 总线型步进驱动器、IO控制、电位器调速、刹车控制。
命名规则:
34HS80-45U14B-32□□ | |
命名段 | 含义 |
34 | 电机外径86mm |
HS | 两相步进 |
80 | 机身长度80mm |
45 | 额定电流4.5A |
U | 出轴方式:A圆轴;D单扁;U键槽;V双扁 |
14 | 输出直径14mm |
B | 带刹车 |
32 | 出轴长度32mm |
□□ | 非标参数 |
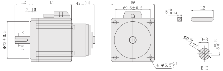
外形尺寸图:

★本系列电机可以根据客户要求定制:机身长度(L1)、出轴长度(L2)、双出轴(L3)、出线方式。
★加配:行星减速机、IP65等级防水工艺。
力矩曲线图:



注意事项:
●同一电机同一驱动器,在供电电压不同的情况下,输出力矩也会不同,建议客户充分考虑此因素,选型时预留足够的力矩余量。
●驱动器电压越高,高速输出力矩越大,但不能超出驱动器的电压使用范围,建议电压小于或等于72VDC。
刹车型号 | 刹车类型 | 刹车电源电压 | 刹车功率 | 刹车响应时间 |
86刹车 | 电磁刹车 | 24VDC±5% | 7.5W | 50 ms |
技术参数:
电机型号 (Model) | 保持转矩 (N.M) | 机身长度 L1(mm) | 相电流 (A) | 相电阻 (Ω) | 相电感 (mH) | 转动惯量 (g.c㎡) | 重量 Kg | 驱动器 |
34HS80-45U14B-32□□ | 4.50 | 80 | 4.5 | 0.41 | 2.90 | 2100 | 2.33 | SA-872E |
34HS118-60U14B-32□□ | 8.50 | 118 | 6.0 | 0.49 | 4.00 | 2700 | 3.78 | SA-872E |
34HS156-60U14B-32□□ | 12.00 | 156 | 6.0 | 0.76 | 8.40 | 4000 | 5.43 | SA-872E |
刹车参数:
刹车型号 | 刹车类型 | 刹车电源电压 | 刹车功率 | 刹车响应时间 |
86刹车 | 电磁刹车 | 24VDC±5% | 7.5W | 50ms |
★ 推荐驱动器是脉冲型,还可以为客户提供以下驱动:
★ 总线型步进驱动器、IO控制、电位器调速、刹车控制。
命名规则:
34HS80-45U14B-32□□ | |
命名段 | 含义 |
34 | 电机外径86mm |
HS | 两相步进 |
80 | 机身长度80mm |
45 | 额定电流4.5A |
U | 出轴方式:A圆轴;D单扁;U键槽;V双扁 |
14 | 输出直径14mm |
B | 带刹车 |
32 | 出轴长度32mm |
□□ | 非标参数 |
外形尺寸图:

★本系列电机可以根据客户要求定制:机身长度(L1)、出轴长度(L2)、双出轴(L3)、出线方式。
★加配:行星减速机、IP65等级防水工艺。
力矩曲线图:



注意事项:
●同一电机同一驱动器,在供电电压不同的情况下,输出力矩也会不同,建议客户充分考虑此因素,选型时预留足够的力矩余量。
●驱动器电压越高,高速输出力矩越大,但不能超出驱动器的电压使用范围,建议电压小于或等于72VDC。
刹车型号 | 刹车类型 | 刹车电源电压 | 刹车功率 | 刹车响应时间 |
86刹车 | 电磁刹车 | 24VDC±5% | 7.5W | 50 ms |
18825289603