技术参数:
型号 (Model) | 保持转矩 (N.M) | 机身长度 (mm) | 相电流 (A) | 相电阻 (Ω) | 相电感 (mH) | 转动惯量 (g.c㎡) | 重量 Kg | 适配驱动器 型号 |
14HS39-10D5-24□□ | 0.21 | 39 | 1.0 | 4.50 | 7.00 | 35 | 0.25 | SD-422R |
14HS48-17D5-24□□ | 0.32 | 48 | 1.7 | 1.65 | 2.50 | 45 | 0.30 | SD-422R |
14HS52-12D5-24□□ | 0.34 | 52 | 1.20 | 3.30 | 5.60 | 48 | 0.32 | SD-422R |
★ 推荐驱动器是脉冲型,还可以为客户提供以下驱动:
★ 总线型步进驱动器、IO控制、电位器调速、刹车控制。
命名规则:
14HS39-10D5-24□□ | |
命名段 | 含义 |
14 | 电机外径35mm |
HS | 两相步进 |
39 | 机身长度39mm |
10 | 额定电流1.0A |
D | 出轴方式:A圆轴;D单扁;U键槽;V双扁 |
5 | 输出直径5mm |
24 | 出轴长24mm |
□□ | 非标参数 |
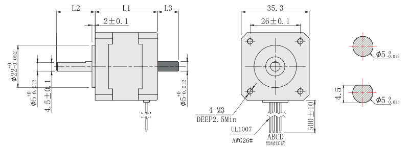
外形尺寸图(单位mm):

★本系列电机可以根据客户要求定制:机身长度(L1)、出轴长度(L2)、双出轴(L3)、出线方式。
力矩曲线图:



注意事项:
●同一电机同一驱动器,在供电电压不同的情况下,输出力矩也会不同,建议客户充分考虑此因素,选型时预留足够的力矩余量。
●驱动器电压越高,高速输出力矩越大,但不能超出驱动器的电压使用范围,建议电压小于或等于24VDC。
型号 | PDF文件 | 3D图 |
14HS39-10D5-24 | 点击下载 | 点击下载 |
14HS48-17D5-24 | 点击下载 | 点击下载 |
14HS52-12D5-24 | 点击下载 | 点击下载 |
技术参数:
型号 (Model) | 保持转矩 (N.M) | 机身长度 (mm) | 相电流 (A) | 相电阻 (Ω) | 相电感 (mH) | 转动惯量 (g.c㎡) | 重量 Kg | 适配驱动器 型号 |
14HS39-10D5-24□□ | 0.21 | 39 | 1.0 | 4.50 | 7.00 | 35 | 0.25 | SD-422R |
14HS48-17D5-24□□ | 0.32 | 48 | 1.7 | 1.65 | 2.50 | 45 | 0.30 | SD-422R |
14HS52-12D5-24□□ | 0.34 | 52 | 1.20 | 3.30 | 5.60 | 48 | 0.32 | SD-422R |
★ 推荐驱动器是脉冲型,还可以为客户提供以下驱动:
★ 总线型步进驱动器、IO控制、电位器调速、刹车控制。
命名规则:
14HS39-10D5-24□□ | |
命名段 | 含义 |
14 | 电机外径35mm |
HS | 两相步进 |
39 | 机身长度39mm |
10 | 额定电流1.0A |
D | 出轴方式:A圆轴;D单扁;U键槽;V双扁 |
5 | 输出直径5mm |
24 | 出轴长24mm |
□□ | 非标参数 |
外形尺寸图(单位mm):

★本系列电机可以根据客户要求定制:机身长度(L1)、出轴长度(L2)、双出轴(L3)、出线方式。
力矩曲线图:



注意事项:
●同一电机同一驱动器,在供电电压不同的情况下,输出力矩也会不同,建议客户充分考虑此因素,选型时预留足够的力矩余量。
●驱动器电压越高,高速输出力矩越大,但不能超出驱动器的电压使用范围,建议电压小于或等于24VDC。
型号 | PDF文件 | 3D图 |
14HS39-10D5-24 | 点击下载 | 点击下载 |
14HS48-17D5-24 | 点击下载 | 点击下载 |
14HS52-12D5-24 | 点击下载 | 点击下载 |
18825289603