技术参数:
适配马达 | 86 步进马达 | 750W AC伺服马达 |
旋转平台轴承 | 交叉滚子轴承 | |
减速比 | 1:18 | 1:18 |
容许转矩 | 80N.m | 180N.m |
转动惯量 | 108150*10¯⁶kg.㎡ | |
允许转速 | 200r/min | |
容许惯性载量 | 100N.m | 216N.m |
容许轴向载重 | 4000N.m | |
定位精度 | ±0.5arcmin | |
重复定位精度 | ±5arcmin | |
旋转平台台面偏差 | ±0.005mm | |
旋转平台平行度 | ±0.015mm | |
旋转平台同心度 | ±0.01mm | |
保护等级 | IP40 | |
重量 | 8kg | |
命名规则:
DH200G05-N □□ | |
命名段 | 含义 |
DH | 旋转平台 |
200 | 电机外径200mm |
G | G:行星减速机 T:直角减速机 |
05 | 减速比:5 |
N | 选配电机:N伺服电机;S步进电机 |
□□ | 非标参数 |
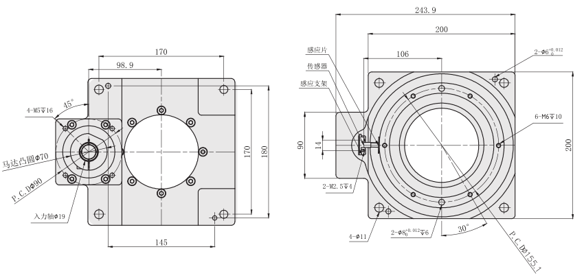
外形尺寸图(单位mm):


★ 本公司产品不断更新,若有不符以实物为准,若有特殊尺寸要求,请联系本公司技术人员。
技术参数:
适配马达 | 86 步进马达 | 750W AC伺服马达 |
旋转平台轴承 | 交叉滚子轴承 | |
减速比 | 1:18 | 1:18 |
容许转矩 | 80N.m | 180N.m |
转动惯量 | 108150*10¯⁶kg.㎡ | |
允许转速 | 200r/min | |
容许惯性载量 | 100N.m | 216N.m |
容许轴向载重 | 4000N.m | |
定位精度 | ±0.5arcmin | |
重复定位精度 | ±5arcmin | |
旋转平台台面偏差 | ±0.005mm | |
旋转平台平行度 | ±0.015mm | |
旋转平台同心度 | ±0.01mm | |
保护等级 | IP40 | |
重量 | 8kg | |
命名规则:
DH200G05-N □□ | |
命名段 | 含义 |
DH | 旋转平台 |
200 | 电机外径200mm |
G | G:行星减速机 T:直角减速机 |
05 | 减速比:5 |
N | 选配电机:N伺服电机;S步进电机 |
□□ | 非标参数 |
外形尺寸图(单位mm):


★ 本公司产品不断更新,若有不符以实物为准,若有特殊尺寸要求,请联系本公司技术人员。
18825289603