技术参数
电机 规格 | 机身长(mm) | 相电流 (A) | 相电阻 (Ω) | 相电感 (mH) | 转动惯量 (g.c㎡) | 重量 Kg | 驱动器 |
08 | 30 | 0.5 | 4.9 | 1.5 | 2 | 0.05 | SD-422R |
08 | 42 | 0.8 | 8.6 | 3.5 | 3.6 | 0.08 | SD-422R |
★ 推荐驱动器是脉冲型,还为客户提供以下驱动:
★总线型步进驱动器、★IO控制、★电位器调速。
直线丝杆(mm) | 导程(mm) | 步长(mm) | 断电自锁力(N) |
3.5 | 0.3048 | 0.001524 | 80 |
1 | 0.005 | 40 | |
2 | 0.01 | 10 | |
4 | 0.02 | 1 | |
8 | 0.04 | 0 |
命名规则
08E30-05-3.5-0.3048-100-B □□ | |
命名段 | 含义 |
08 | 电机外径20mm |
E | 外部驱动式 |
30 | 机身长度30mm |
05 | 额定电流0.5A |
3.5 | 丝杆直径3.5mm |
0.3048 | 导程0.3048mm |
100 | 丝杆长度 100mm |
B | A:消隙螺母; B:刹车; C:编码器 |
□□ | 非标标识 |
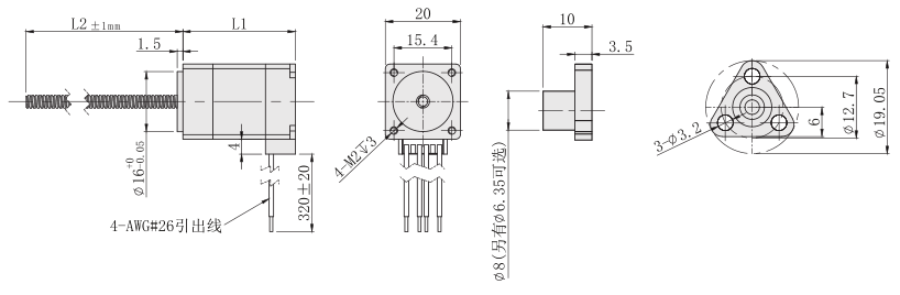
外形尺寸图(单位mm)

★本系列电机可以根据客户要求定制丝杆长度(L2) 、丝杆端部。
动态力矩曲线



★测试条件:恒流驱动,无加速度,2细分,驱动电压24V
技术参数
电机 规格 | 机身长(mm) | 相电流 (A) | 相电阻 (Ω) | 相电感 (mH) | 转动惯量 (g.c㎡) | 重量 Kg | 驱动器 |
08 | 30 | 0.5 | 4.9 | 1.5 | 2 | 0.05 | SD-422R |
08 | 42 | 0.8 | 8.6 | 3.5 | 3.6 | 0.08 | SD-422R |
★ 推荐驱动器是脉冲型,还为客户提供以下驱动:
★总线型步进驱动器、★IO控制、★电位器调速。
直线丝杆(mm) | 导程(mm) | 步长(mm) | 断电自锁力(N) |
3.5 | 0.3048 | 0.001524 | 80 |
1 | 0.005 | 40 | |
2 | 0.01 | 10 | |
4 | 0.02 | 1 | |
8 | 0.04 | 0 |
命名规则
08E30-05-3.5-0.3048-100-B □□ | |
命名段 | 含义 |
08 | 电机外径20mm |
E | 外部驱动式 |
30 | 机身长度30mm |
05 | 额定电流0.5A |
3.5 | 丝杆直径3.5mm |
0.3048 | 导程0.3048mm |
100 | 丝杆长度 100mm |
B | A:消隙螺母; B:刹车; C:编码器 |
□□ | 非标标识 |
外形尺寸图(单位mm)

★本系列电机可以根据客户要求定制丝杆长度(L2) 、丝杆端部。
动态力矩曲线



★测试条件:恒流驱动,无加速度,2细分,驱动电压24V
18825289603