技术参数:
电机规格 ( Model) | 机身长度 (mm) | 相电流 (A) | 相电阻 (Ω) | 相电感 (mH) | 转动惯量 (g.c㎡) | 重量 Kg | 驱动器 |
24 | 55 | 5.0 | 0.42 | 1.3 | 340 | 0.76 | SD-545R |
24 | 75 | 5.0 | 0.57 | 1.98 | 590 | 1.00 | SD-545R |
★ 以上产品为代表性产品,派生产品可根据客户要求制作。
命名规则:
24E55-50BS1202-100-B □□ | |
命名段 | 含义 |
24 | 电机外径60mm |
E | E 外部驱动式 N 贯通轴式 C贯通-固定轴式 |
55 | 机身长度55mm |
50 | 额定电流5.0A |
BS1202 | BS1202代表 丝杆直径12mm,导程2mm |
100 | 丝杆长度 100mm |
B | A:消隙螺母; B:刹车; C:编码器 |
□□ | 非标参数 |
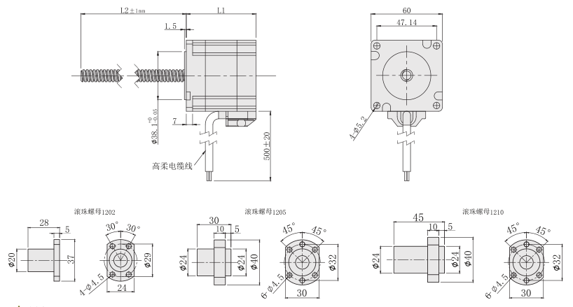
外形尺寸图:

★本系列电机可以根据客户要求定制丝杆长度(L2) 、丝杆端部;
★加配断电刹车、编码器。
脉冲频率与推力曲线(参考值):



★测试条件:恒流驱动,无加速度,2细分,驱动电压40V。
技术参数:
电机规格 ( Model) | 机身长度 (mm) | 相电流 (A) | 相电阻 (Ω) | 相电感 (mH) | 转动惯量 (g.c㎡) | 重量 Kg | 驱动器 |
24 | 55 | 5.0 | 0.42 | 1.3 | 340 | 0.76 | SD-545R |
24 | 75 | 5.0 | 0.57 | 1.98 | 590 | 1.00 | SD-545R |
★ 以上产品为代表性产品,派生产品可根据客户要求制作。
命名规则:
24E55-50BS1202-100-B □□ | |
命名段 | 含义 |
24 | 电机外径60mm |
E | E 外部驱动式 N 贯通轴式 C贯通-固定轴式 |
55 | 机身长度55mm |
50 | 额定电流5.0A |
BS1202 | BS1202代表 丝杆直径12mm,导程2mm |
100 | 丝杆长度 100mm |
B | A:消隙螺母; B:刹车; C:编码器 |
□□ | 非标参数 |
外形尺寸图:

★本系列电机可以根据客户要求定制丝杆长度(L2) 、丝杆端部;
★加配断电刹车、编码器。
脉冲频率与推力曲线(参考值):



★测试条件:恒流驱动,无加速度,2细分,驱动电压40V。
18825289603