技术参数:
电机规格 ( Model) | 机身长度 (mm) | 相电流 (A) | 相电阻 (Ω) | 相电感 (mH) | 转动惯量 (g.c㎡) | 重量 Kg | 驱动器 |
17 | 34 | 1.5 | 1.8 | 2.8 | 35 | 0.25 | SD-422R |
17 | 40 | 1.5 | 2.2 | 4.6 | 55 | 0.29 | SD-422R |
17 | 48 | 2.5 | 0.8 | 1.8 | 70 | 0.39 | SD-422R |
17 | 60 | 2.5 | 1.0 | 2.8 | 105 | 0.45 | SD-422R |
★ 以上产品为代表性产品,派生产品可根据客户要求制作。
命名规则:
17E34-15BS0801-100-B □□ | |
命名段 | 含义 |
17 | 电机外径42mm |
E | E 外部驱动式 N 贯通轴式 C贯通-固定轴式 |
34 | 机身长度34mm |
15 | 额定电流1.5A |
BS0801 | BS0801:08 丝杆直径8mm;01丝杆导程1mm |
100 | 丝杆长度 100mm |
B | A:消隙螺母; B:刹车; C:编码器 |
□□ | 非标标识 |
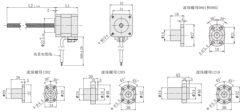
外形尺寸图:

★本系列电机可以根据客户要求定制丝杆长度(L2) 、丝杆端部;
★加配断电刹车、编码器。
脉冲频率与推力曲线(参考值):





★测试条件:恒流驱动,无加速度,2细分,驱动电压40V。
技术参数:
电机规格 ( Model) | 机身长度 (mm) | 相电流 (A) | 相电阻 (Ω) | 相电感 (mH) | 转动惯量 (g.c㎡) | 重量 Kg | 驱动器 |
17 | 34 | 1.5 | 1.8 | 2.8 | 35 | 0.25 | SD-422R |
17 | 40 | 1.5 | 2.2 | 4.6 | 55 | 0.29 | SD-422R |
17 | 48 | 2.5 | 0.8 | 1.8 | 70 | 0.39 | SD-422R |
17 | 60 | 2.5 | 1.0 | 2.8 | 105 | 0.45 | SD-422R |
★ 以上产品为代表性产品,派生产品可根据客户要求制作。
命名规则:
17E34-15BS0801-100-B □□ | |
命名段 | 含义 |
17 | 电机外径42mm |
E | E 外部驱动式 N 贯通轴式 C贯通-固定轴式 |
34 | 机身长度34mm |
15 | 额定电流1.5A |
BS0801 | BS0801:08 丝杆直径8mm;01丝杆导程1mm |
100 | 丝杆长度 100mm |
B | A:消隙螺母; B:刹车; C:编码器 |
□□ | 非标标识 |
外形尺寸图:

★本系列电机可以根据客户要求定制丝杆长度(L2) 、丝杆端部;
★加配断电刹车、编码器。
脉冲频率与推力曲线(参考值):





★测试条件:恒流驱动,无加速度,2细分,驱动电压40V。
18825289603