KKH50精度等级(单位mm)
型号 | 轨道 长度 | 定位重现性 | 定位精度 | 行走平行度 | 最大启动扭力 (N.cm) | ||||
精密级 | 一般级 | 精密级 | 一般级 | 精密级 | 一般级 | 精密级 | 一般级 | ||
KKH50 | 150 | ±0.003 | ±0.01 | 0.020 | ¯ | 0.010 | ¯ | 4 | 2 |
200 | |||||||||
250 | |||||||||
300 | |||||||||
KKH50最大速度表格
型号 | 滚珠螺杆导程 (mm) | 轨道长度 L2(mm) | 速度(mm/sec) | |
精密级 | 一般级 | |||
KKH50 | 02 | 150 | 270 | 270 |
200 | ||||
250 | ||||
300 | ||||
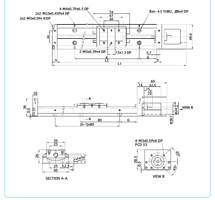
KKH50尺寸图

命名规则
KKH6010PE-400EA2E-F0CS0M | |
命名段 | 含义 |
KKH | KKH系列 |
60 | 尺寸:50,60,86 |
10 | 滚珠螺杆导程:KKH50:2 KKH60:5,10 KKH86:10,20 |
P | 精密等级:P精密级,C一版级 |
E | 滚珠螺杆特殊加工 无记号:滚珠螺杆标准型 |
400 | 主体长度mm |
E | 主体特殊加工 无记号:主体标准型 |
A | 滑座形式 A:标准型 S:轻载型 |
2 | 滑座数量:1,2 |
E | 滑座特殊加工 无记号:滑座标准型 |
F0 | 马达链接法兰 FE:特殊加工 |
C | C:铝护盖 B:伸缩护套 无记号:无护盖 |
S0 | S0:只有极限主体 S1:SX671型 S2:SX674型 S3:GX-F12A型 S4: GX-F12A-P型 无记号:无 |
M | M:附马达 无记号:无 |
KKH50精度等级(单位mm)
型号 | 轨道 长度 | 定位重现性 | 定位精度 | 行走平行度 | 最大启动扭力 (N.cm) | ||||
精密级 | 一般级 | 精密级 | 一般级 | 精密级 | 一般级 | 精密级 | 一般级 | ||
KKH50 | 150 | ±0.003 | ±0.01 | 0.020 | ¯ | 0.010 | ¯ | 4 | 2 |
200 | |||||||||
250 | |||||||||
300 | |||||||||
KKH50最大速度表格
型号 | 滚珠螺杆导程 (mm) | 轨道长度 L2(mm) | 速度(mm/sec) | |
精密级 | 一般级 | |||
KKH50 | 02 | 150 | 270 | 270 |
200 | ||||
250 | ||||
300 | ||||
KKH50尺寸图

命名规则
KKH6010PE-400EA2E-F0CS0M | |
命名段 | 含义 |
KKH | KKH系列 |
60 | 尺寸:50,60,86 |
10 | 滚珠螺杆导程:KKH50:2 KKH60:5,10 KKH86:10,20 |
P | 精密等级:P精密级,C一版级 |
E | 滚珠螺杆特殊加工 无记号:滚珠螺杆标准型 |
400 | 主体长度mm |
E | 主体特殊加工 无记号:主体标准型 |
A | 滑座形式 A:标准型 S:轻载型 |
2 | 滑座数量:1,2 |
E | 滑座特殊加工 无记号:滑座标准型 |
F0 | 马达链接法兰 FE:特殊加工 |
C | C:铝护盖 B:伸缩护套 无记号:无护盖 |
S0 | S0:只有极限主体 S1:SX671型 S2:SX674型 S3:GX-F12A型 S4: GX-F12A-P型 无记号:无 |
M | M:附马达 无记号:无 |
18825289603