技术参数:
电机型号 (Model) | 保持转矩 (N.M) | 机身长度 (mm) | 相电流 (A) | 相电阻 (Ω) | 相电感 (mH) | 转动惯量 (g.c㎡) | 重量 Kg | 适配 驱动器 |
42HS120-60U19-37 □□ | 12 | 120 | 6.0 | 0.8 | 9.8 | 7200 | 6.25 | SH-2265R |
42HS150-60U19-37 □□ | 18 | 150 | 6.0 | 1.1 | 22.5 | 10900 | 8.30 | SH-2265R |
★ 推荐驱动器是脉冲型,还可以为客户提供以下驱动:
★ 总线型步进驱动器、IO控制、电位器调速、刹车控制。
命名规则:
42HS120-60U19-37□□ | |
命名段 | 含义 |
42 | 电机外径110mm |
HS | 两相步进 |
120 | 机身长度120mm |
60 | 额定电流6.0A |
U | 出轴方式:A圆轴;D单扁;U键槽;V双扁 |
19 | 输出直径19mm |
37 | 出轴长37mm |
□□ | 非标参数 |
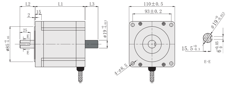
外形尺寸图(单位mm):

★本系列电机可以根据客户要求定制:机身长度(L1)、出轴长度(L2)、双出轴(L3)、出线方式。
★可加配:行星减速机、断电刹车、IP65等级防水工艺。
力矩曲线图:


注意事项:
●同一电机同一驱动器,在供电电压不同的情况下,输出力矩也会不同,建议客户充分考虑此因素,选型时预留足够的力矩余量。
●驱动器电压越高,高速输出力矩越大,但不能超出驱动器的电压使用范围,建议电压小于或等于220VAC。
型号 | PDF文件 | 3D图 |
42HS120-60U19-37 | 点击下载 | 点击下载 |
42HS150-60U19-37 | 点击下载 | 点击下载 |
技术参数:
电机型号 (Model) | 保持转矩 (N.M) | 机身长度 (mm) | 相电流 (A) | 相电阻 (Ω) | 相电感 (mH) | 转动惯量 (g.c㎡) | 重量 Kg | 适配 驱动器 |
42HS120-60U19-37 □□ | 12 | 120 | 6.0 | 0.8 | 9.8 | 7200 | 6.25 | SH-2265R |
42HS150-60U19-37 □□ | 18 | 150 | 6.0 | 1.1 | 22.5 | 10900 | 8.30 | SH-2265R |
★ 推荐驱动器是脉冲型,还可以为客户提供以下驱动:
★ 总线型步进驱动器、IO控制、电位器调速、刹车控制。
命名规则:
42HS120-60U19-37□□ | |
命名段 | 含义 |
42 | 电机外径110mm |
HS | 两相步进 |
120 | 机身长度120mm |
60 | 额定电流6.0A |
U | 出轴方式:A圆轴;D单扁;U键槽;V双扁 |
19 | 输出直径19mm |
37 | 出轴长37mm |
□□ | 非标参数 |
外形尺寸图(单位mm):

★本系列电机可以根据客户要求定制:机身长度(L1)、出轴长度(L2)、双出轴(L3)、出线方式。
★可加配:行星减速机、断电刹车、IP65等级防水工艺。
力矩曲线图:


注意事项:
●同一电机同一驱动器,在供电电压不同的情况下,输出力矩也会不同,建议客户充分考虑此因素,选型时预留足够的力矩余量。
●驱动器电压越高,高速输出力矩越大,但不能超出驱动器的电压使用范围,建议电压小于或等于220VAC。
型号 | PDF文件 | 3D图 |
42HS120-60U19-37 | 点击下载 | 点击下载 |
42HS150-60U19-37 | 点击下载 | 点击下载 |
18825289603