技术参数:
电机规格 | 机身长度L1 (mm) | 相电流 (A) | 相电阻 (Ω) | 相电感 (mH) | 转动惯量 (g.c㎡) | 重量 Kg | 驱动器 |
08 | 30 | 0.5 | 4.9 | 1.5 | 2 | 0.05 | SD-422R |
08 | 42 | 0.5 | 8.6 | 3.5 | 3.6 | 0.08 | SD-422R |
★ 以上产品为代表性产品,派生产品可根据客户要求制作。
命名规则:
08E30-05BS0601-100-B □□ | |
命名段 | 含义 |
08 | 电机外径20mm |
E | E 外部驱动式 N 贯通轴式 C贯通-固定轴式 |
30 | 机身长度30mm |
05 | 额定电流0.5A |
BS0601 | BS0601:06 丝杆直径6mm;01丝杆导程1mm |
100 | 丝杆长度 100mm |
B | A:消隙螺母; B:刹车; C:编码器 |
□□ | 非标标识 |
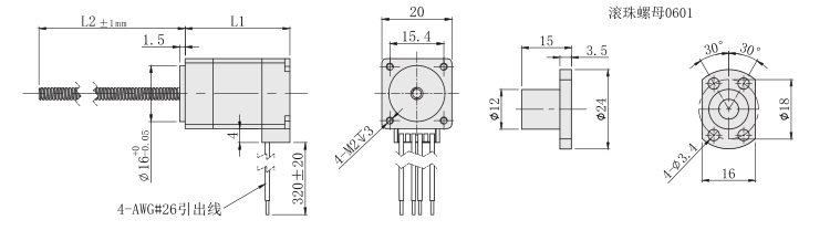
外形尺寸图:

★本系列电机可以根据客户要求定制丝杆长度(L2) 、丝杆端部。
脉冲频率与推力曲线(参考值):



★测试条件:恒流驱动,无加速度,2细分,驱动电压24V。
技术参数:
电机规格 | 机身长度L1 (mm) | 相电流 (A) | 相电阻 (Ω) | 相电感 (mH) | 转动惯量 (g.c㎡) | 重量 Kg | 驱动器 |
08 | 30 | 0.5 | 4.9 | 1.5 | 2 | 0.05 | SD-422R |
08 | 42 | 0.5 | 8.6 | 3.5 | 3.6 | 0.08 | SD-422R |
★ 以上产品为代表性产品,派生产品可根据客户要求制作。
命名规则:
08E30-05BS0601-100-B □□ | |
命名段 | 含义 |
08 | 电机外径20mm |
E | E 外部驱动式 N 贯通轴式 C贯通-固定轴式 |
30 | 机身长度30mm |
05 | 额定电流0.5A |
BS0601 | BS0601:06 丝杆直径6mm;01丝杆导程1mm |
100 | 丝杆长度 100mm |
B | A:消隙螺母; B:刹车; C:编码器 |
□□ | 非标标识 |
外形尺寸图:

★本系列电机可以根据客户要求定制丝杆长度(L2) 、丝杆端部。
脉冲频率与推力曲线(参考值):



★测试条件:恒流驱动,无加速度,2细分,驱动电压24V。
18825289603